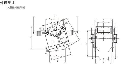
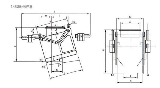
缓冲锁气器是输送设备的缓冲卸料设备,也被称作导向缓冲锁气器。缓冲锁气器能有效降低物料对各类输送机的直接冲撞,减小冲撞的力度延长输送设备的使用寿命,并具有锁气功能。
、产品用途
缓冲锁气器广泛用于电力、矿山、炼油、煤炭等工矿企业中散装物料的装卸、运输、破碎等重要环节中,使高速下落的散状物料存锁气板上进行缓冲后减速通过。采用缓冲锁气器可使含尘空气流量大大减少,因此只需配置单极小容量高效除尘器就能达到良好的除尘效果。另外安装锁气器后,物料落在皮带上非常均匀,并可取消皮带机上缓冲托辊。本产品与密封导料槽配合使用可 止尘物飞扬。本产品安装在落料管、料斗等密封设施的末端。
二、产品特点
1.保护胶带、托辊、导料槽、落料管、料斗等设备,延长其使用寿命。
2.重新使物料在皮带上均匀分布,能 止胶带跑偏和沿途撒料。
3.减少诱导鼓风,可使除尘风量减少到1/10以下。
4.可用于输送粘料、湿料、大块料, 止粘堵的发生。
5.可承受单重80kg物料,12米高自由垂直下落的长期冲击。
6.锁气率=90%
7.A、AB、B型缓冲锁气器是 堵型设备,不会堵塞。








安装说明
缓冲锁气器上部与落煤管下部法兰之间采用螺栓连接,法兰之间 般用油浸石棉绳衬垫.
缓冲锁气器按布置图就位后,在导料槽盖板上开孔.当缓冲锁气器喉管与导料槽盖板面之间交线尺寸为A*B时,开孔尺寸为A+30和B+30,缓冲锁气器喉管插入导料槽盖板20mm深,多余部分切除.如缓冲锁气器无喉管或喉管高时,应用厚度5mm钢板按实测尺寸和形状现场焊补空缺.喉管同导料槽盖板留孔边缘之间的间隙用45*5扁钢焊牢.
缓冲锁气器手柄钩的定位耳环应焊在皮带机托辊钢架上,并根据现场高度将起重链切短到合适的长度,使柄钩钩住耳环后锁气权为满开位置.
调节缓冲锁气器重锺位置达到10kg/m力矩作用下缓冲锅气器正好开动为止,并固定好重锺位置.